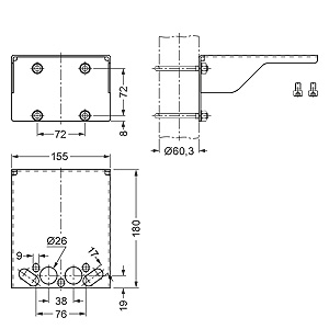
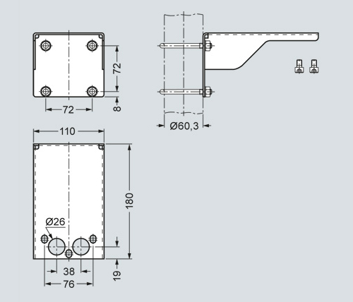
2-х шпиндельный вентильный блок DN 5 с поворотной муфтой, размеры в мм
2-х шпиндельный вентильный блок DN 5, размеры в мм
3-х шпиндельный вентильный блок DN 5, размеры в мм
5-ти шпиндельный вентильный блок DN 5, размеры в мм
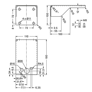
Монтажный уголок (7MF9006-6LA)/(M14) для 2-х шпиндельного вентильного блока, размеры в мм
Монтажный уголок (7MF9006-6NA)/(M17) для 3-х шпиндельного вентильного блока, размеры в мм
Монтажный уголок (7MF9006-6PA)/(M18) для 5-ти шпиндельного вентильного блока, размеры в мм



