Кран переключения для установки во фланец на измерительный преобразователь дифф. давления, размеры в мм
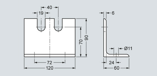
Крепежный уголок 7MF9004-6AA, размеры в мм


Кран переключения для установки во фланец на измерительный преобразователь дифф. давления, размеры в мм
Крепежный уголок 7MF9004-6AA, размеры в мм
|
© ООО "СК ЭНЕРГО" 2007-2022 (4872) 700-366 skenergo@mail.ru |
|