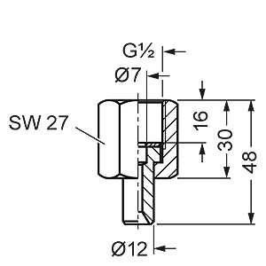
Ниппельное соединение, размеры в мм
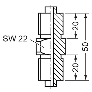
Зажимная муфта, размеры в мм
Цапфовый фитинг, размеры в мм


Ниппельное соединение, размеры в мм
Зажимная муфта, размеры в мм
Цапфовый фитинг, размеры в мм
|
© ООО "СК ЭНЕРГО" 2007-2022 (4872) 700-366 skenergo@mail.ru |
|