Фитинг с резьбой ¼-18 NPT и соединительной цапфой G½, размеры в мм
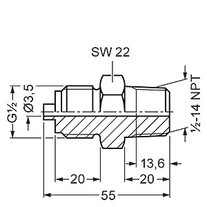
Фитинг с резьбой ½--14 NPT и соединительной цапфой G½, размеры в мм
Фитинг с резьбой ½-14 NPT и резьбой ½-14 NPT, размеры в мм


Фитинг с резьбой ¼-18 NPT и соединительной цапфой G½, размеры в мм
Фитинг с резьбой ½--14 NPT и соединительной цапфой G½, размеры в мм
Фитинг с резьбой ½-14 NPT и резьбой ½-14 NPT, размеры в мм
|
© ООО "СК ЭНЕРГО" 2007-2022 (4872) 700-366 skenergo@mail.ru |
|